La ingeniería tras las Voyager 1 y 2: un diseño para la eternidad
Las sondas Voyager 1 y Voyager 2, lanzadas en 1977 con apenas 16 días de diferencia, representan el ejemplo vivo de cómo la ingeniería puede trascender generaciones. Aunque fueron diseñadas para una vida útil de unos cinco años, sus arquitecturas redundantes y robustas han permitido operaciones científicas durante más de 45 años, con la Voyager 1 explorando hoy el espacio interestelar y la Voyager 2 habiendo completado el “Grand Tour” de los cuatro gigantes gaseosos.

Su historia no solo es un triunfo científico, también es una lección magistral de ingeniería de fiabilidad extrema.
En lo que respecta a su diseño, las Voyager 1 y 2 son prácticamente idénticas en construcción, pero con diferencias menores en calibración, configuración de instrumentos y trayectoria que hicieron que sus misiones se desarrollaran de forma distinta.
Diseño compartido:
- Estructura y masa: ~722 kg cada una, con bus hexagonal de aluminio 6061-T6 reforzado.
- Fuente de energía: 3 RTG SNAP-19 idénticos.
- Computación: mismos tres subsistemas digitales (CCS, FDS y AACS).
- Propulsión: 12 propulsores monopropelente de hidrazina, idénticos en distribución.
- Antena principal: parabólica de 3,7 m de diámetro, misma geometría y materiales.
- Blindaje: protección multicapa contra radiación.
- Instrumentación científica de base: magnetómetro, detectores de plasma, partículas cargadas, rayos cósmicos, fotopolarímetros, espectrómetros, cámaras de ángulo estrecho y amplio, etc.
Diferencias:
- Trayectoria y misión:
- Voyager 1 fue lanzada después (5 sept. 1977), pero en una trayectoria más rápida hacia Júpiter y Saturno, alcanzando antes esos planetas.
- Voyager 2 (20 ago. 1977) siguió una trayectoria que le permitió el Grand Tour a Urano y Neptuno, algo que requería maniobras y sobrevuelos más precisos.
- Instrumentación en operación:
- El conjunto de instrumentos era el mismo, pero no todos estuvieron activos en cada misión.
- Por ejemplo, el fotopolarímetro de Voyager 1 falló poco después del lanzamiento, mientras que en Voyager 2 funcionó correctamente y se usó intensivamente en los encuentros planetarios.
- Calibración y ajustes de software:
- Voyager 2 recibió modificaciones de software en vuelo para adaptar sus sistemas de adquisición de datos a los encuentros con Urano y Neptuno, algo que no se necesitó en Voyager 1.
- La gestión de propelente también fue distinta, ya que Voyager 2 gastó más combustible en maniobras de sobrevuelo.
Resumidamente, eran clones en lo que a su hardware respecta, y su diferencia reside en su historia operativa.
Tabla comparativa de la Voyager 1 y Voyager 2:
| Característica | Voyager 1 | Voyager 2 |
|---|---|---|
| Lanzamiento | 5 septiembre 1977 (Cabo Cañaveral, Titan IIIE-Centaur) | 20 agosto 1977 (Cabo Cañaveral, Titan IIIE-Centaur) |
| Masa al lanzamiento | ~722 kg | ~722 kg |
| Dimensiones | Bus hexagonal 1,78 m, antena de 3,7 m de diámetro | Idénticas |
| Fuente de energía | 3 RTG SNAP-19, potencia inicial ~470 W | 3 RTG SNAP-19, potencia inicial ~470 W |
| Potencia actual (2025) | <250 W | <250 W |
| Computación | CCS, FDS y AACS (8 bits, ~70 kB totales, memoria de ferrita) | Idénticos |
| Propulsión | 12 propulsores de hidrazina (227 g de empuje cada uno) | Idénticos, pero con mayor consumo acumulado en maniobras planetarias |
| Instrumentación científica | Misma carga útil en el lanzamiento: cámaras (narrow y wide angle), magnetómetro, detectores de plasma, partículas cargadas, rayos cósmicos, espectrómetro UV, espectrómetro IR, fotopolarímetro, antena de ondas de plasma, etc. | Idéntica |
| Fallos tempranos | Fotopolarímetro inoperativo poco después del lanzamiento | Todos operativos inicialmente |
| Encuentros planetarios | Júpiter (1979), Saturno (1980) | Júpiter (1979), Saturno (1981), Urano (1986), Neptuno (1989) |
| Trayectoria | Escape directo tras Saturno → primer objeto humano en el espacio interestelar (2012) | Trayectoria del Grand Tour → espacio interestelar alcanzado en 2018 |
| Distancia de la Tierra (2025) | ~24.500 millones km | ~20.100 millones km |
| Instrumentos activos (2025) | 4 (plasma wave, magnetómetro, rayos cósmicos, partículas cargadas) | 5 (los mismos + espectrómetro de plasma) |
| Estado actual | Señal muy débil (<10⁻¹⁶ W recibida en DSN), transmisión a 160 bps | Señal algo más fuerte que V1, también ~160 bps |

Diseño
1. Generación de energía: RTG SNAP-19
Ambas sondas emplean tres RTG SNAP-19 cada una, versiones adaptadas de los usados en las misiones Nimbus y Pioneer.
- Fuente radiactiva: dióxido de plutonio-238 (²³⁸PuO₂).
- Potencia inicial combinada (1977): ~470 W a 30 V CC al momento del lanzamiento.
- Degradación: ~4 W/año (mezcla de desintegración radiactiva y degradación termoeléctrica).
- Potencia disponible en 2025: <250 W por sonda.
- Peso de cada RTG: 37,7 kg, incluyendo unos 4,5 kg de Pu-238.
Un RTG es un generador termoeléctrico de radioisótopos. En las Voyager, cada RTG generaba inicialmente unos 2400 vatios de potencia térmica. La conversión del calor residual del plutonio en energía eléctrica utiliza 312 pares termoeléctricos de silicio-germanio (SiGe). La temperatura inicial de la unión caliente del par termoeléctrico era de 1273 K (1000 °C, 1832 °F), con una temperatura de la unión fría de 573 K (300 °C, 572 °F). Cada RTG contiene 24 esferas prensadas de óxido de plutonio-238.
Diagrama de un RTG utilizado en la sonda Cassini. NASA.

Figura del contenedor de combustible RTG. NASA/JPL.


Fotografía del RTG. NASA/JPL.

La NASA ha tenido que apagar instrumentos progresivamente, priorizando comunicaciones y control térmico sobre experimentos científicos.
2. Arquitectura computacional
Ambas sondas comparten la misma arquitectura, con tres subsistemas principales:
- CCS (Computer Command System): controla la secuencia de comandos, redundante en dos unidades.
- FDS (Flight Data Subsystem): procesa y formatea datos científicos.
- AACS (Attitude and Articulation Control Subsystem): regula orientación de la antena e instrumentos.
Características:
- Procesadores de 8 bits con lógica TTL.
- Memoria: ~70 kB (núcleos magnéticos + core rope memory).
- Alta tolerancia a radiación.
Gracias a esta arquitectura, Voyager 2 pudo recibir modificaciones de software en pleno tránsito hacia Urano y Neptuno, adaptando su capacidad científica.
3. Subsistema de telecomunicaciones
Ambas sondas integran:
- Antena de alta ganancia (HGA): 3,7 m de diámetro.
- Frecuencias: banda S (2,3 GHz) y banda X (8,4 GHz).
- Potencia de transmisión: 20 W.
- Tasa de datos actual: hasta 160 bps en espacio interestelar.
La Deep Space Network (DSN) permite captar señales <10⁻¹⁶ W. La precisión de apuntamiento de la antena es crítica: ±0,1°.
*La Red Espacial Profunda (DSN) de la NASA es una red mundial de instalaciones terrestres de comunicación con naves espaciales, ubicadas en Estados Unidos (California), España (Madrid) y Australia (Canberra), que da soporte a las misiones interplanetarias de la NASA. También realiza observaciones de radioastronomía y radarastronomía para la exploración del Sistema Solar y el universo, y da soporte a determinadas misiones en órbita terrestre. La DSN forma parte del Laboratorio de Propulsión a Chorro (JPL) de la NASA.
Diferencia clave: Voyager 2, al seguir trayectorias múltiples hacia Urano y Neptuno, requirió recalibraciones más frecuentes de actitud para mantener enlace con la DSN.
Diagrama funcional de bloques de telecomunicaciones. Crédito: The Voyager Spacecraft, Raymond L. Heacock. The Institution of Mechanical Engineers. Vol 194 No. 28.

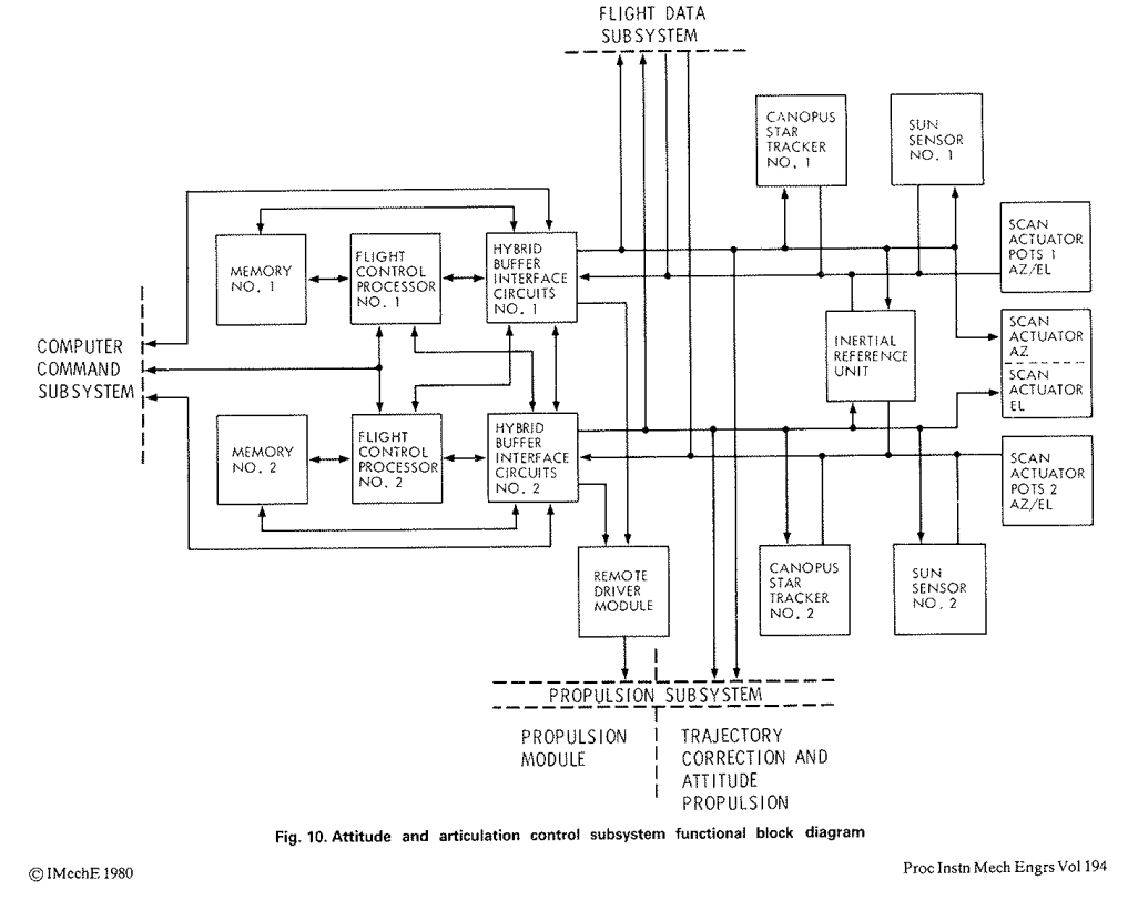
4. Propulsión y control de actitud
Ambas sondas emplean 12 propulsores monopropelente de hidrazina, distribuidos en cuatro módulos redundantes.
- Empuje unitario: ~227 g.
- Tanques iniciales: ~100 kg de hidrazina.
- Uso principal: apuntamiento fino de la HGA y maniobras menores.
Voyager 1, en trayectoria de escape tras Saturno, ha tenido un uso más moderado de propelente. Voyager 2, al visitar Urano y Neptuno, requirió maniobras adicionales, consumiendo más combustible y reduciendo su margen operativo actual.
*Actitud en ingeniería aeroespacial = la orientación de la nave en el espacio (qué dirección apunta la antena, cómo están orientados los instrumentos, etc.).
Diagrama funcional del subsistema de control de actitud y articulación. Crédito: The Voyager Spacecraft, Raymond L. Heacock. The Institution of Mechanical Engineers. Vol 194 No. 28.

5. Blindaje, estructura y gestión térmica
- Estructura: aluminio 6061-T6 con refuerzos de titanio.
- Blindaje: multicapa de aluminio para soportar la intensa radiación joviana.
- Gestión térmica: aislamiento térmico MLI + calor residual de los RTG.
- Calefactores eléctricos redundantes (~2 W cada uno), progresivamente apagados desde la década de 2000.
La estabilidad térmica es esencial para mantener la hidrazina en estado líquido y evitar congelación de válvulas.
6. Instrumentación
Ambas sondas llevaban 11 instrumentos científicos prácticamente idénticos. La diferencia clave es que el fotopolarímetro (PPS) falló en Voyager 1, pero funcionó en Voyager 2 durante los sobrevuelos. A día de hoy (2025) siguen operativos sobre todo los instrumentos de campos y partículas (MAG, LECP, CRS, PWS).
| Acrónimo | Nombre en inglés | Traducción al español | Función / Principio | Rango de medida aproximado | Estado actual (2025) |
|---|---|---|---|---|---|
| ISS | Imaging Science Subsystem | Sistema de imágenes | Dos cámaras (narrow angle y wide angle) para obtener imágenes planetarias y de lunas | Resolución angular: 0,42 mrad (wide) / 0,006 mrad (narrow) | Apagado para ahorrar energía |
| RSS | Radio Science Subsystem | Subsistema de ciencia por radio | Usa la portadora de radio para experimentos de ocultación, medición de atmósferas y gravedad | Frecuencias en banda S y X | Inactivo / limitado |
| IRIS | Infrared Interferometer Spectrometer and Radiometer | Espectrómetro interferométrico infrarrojo y radiómetro | Estudia composición atmosférica y temperaturas superficiales | 2,5 – 55 μm (infrarrojo medio y lejano) | Apagado |
| UVS | Ultraviolet Spectrometer | Espectrómetro ultravioleta | Medición de emisiones y absorciones UV en atmósferas y medio interplanetario | 50 – 170 nm | Mayormente desactivado |
| MAG | Triaxial Fluxgate Magnetometer | Magnetómetro triaxial de núcleo saturable | Mide magnitud y dirección de campos magnéticos | ±0,02 a ±2.000 nT (tres escalas) | Activo |
| PLS | Plasma Science (Plasma Spectrometer) | Espectrómetro de plasma | Determina densidad, velocidad y temperatura de iones y electrones | Energías: 10 eV – 6 keV | Apagado en Voyager 1 (2007), en Voyager 2 también desactivado |
| LECP | Low Energy Charged Particles instrument | Detector de partículas cargadas de baja energía | Mide composición, ángulo de llegada y espectros de electrones e iones | Electrones: 15 keV – 1 MeV; Iones: 30 keV – 150 MeV/nucleón | Activo |
| CRS | Cosmic Ray Subsystem | Subsistema de rayos cósmicos | Detecta partículas de alta energía: protones, electrones, núcleos pesados | 3 – 500 MeV/nucleón | Activo |
| PRA | Planetary Radio Astronomy investigation | Investigación de radioastronomía planetaria | Detecta emisiones de radio naturales de planetas y plasma | 1,2 kHz – 40,5 MHz | Generalmente apagado |
| PPS | Photopolarimeter Subsystem | Subsistema fotopolarímetro | Mide intensidad y polarización de la luz dispersada | 220 – 730 nm (UV visible) | Falló en Voyager 1 poco después del lanzamiento; funcional en Voyager 2 pero apagado |
| PWS | Plasma Wave Subsystem | Subsistema de ondas de plasma | Mide oscilaciones eléctricas en plasma, permitiendo inferir densidad de electrones | 10 Hz – 56 kHz | Activo |
Diagrama de la Voyager. NASA/JPL-Caltech


Misión
El programa Voyager nació en los años 70 dentro del Jet Propulsion Laboratory (JPL, NASA), aprovechando una configuración excepcional de los planetas exteriores que ocurre solo cada 176 años: Júpiter, Saturno, Urano y Neptuno estaban alineados de forma que una sonda podía usar el “efecto honda gravitacional” para visitar varios planetas con un único lanzamiento.
Originalmente llamadas Mariner Jupiter-Saturn 1977, las sondas fueron renombradas Voyager para reflejar la magnitud del proyecto.
La Voyager 2 a la espera de que sea introducida en un cohete Titan IIIE/Centaur. NASA.

Vehículo de lanzamiento Titan III E Centaur D-1T. Crédito: The Voyager Spacecraft, Raymond L. Heacock. The Institution of Mechanical Engineers. Vol 194 No. 28.

Voyager 1: la pionera interestelar
- Júpiter (1979):
- Descubrió anillos tenues alrededor del planeta.
- Observó la intensa actividad volcánica en Ío (primer vulcanismo activo fuera de la Tierra jamás detectado).
- Estudió en detalle la atmósfera de Júpiter, revelando estructuras complejas en la Gran Mancha Roja.
- Saturno (1980):
- Cartografió los anillos con precisión inédita, identificando divisiones y ondas.
- Observó Titán, detectando su atmósfera densa de nitrógeno y metano (esto determinó que no fuera Voyager 2, sino la misión Cassini-Huygens, la que estudiaría más a fondo Titán décadas después).
- Trayectoria tras Saturno:
- La asistencia gravitatoria la lanzó fuera del plano eclíptico, en trayectoria directa de escape.
- En 2012, cruzó la heliopausa, convirtiéndose en el primer objeto humano en entrar al espacio interestelar.
Trayectoria de la Voyager 1 vista desde la Tierra, desviándose de la eclíptica en 1981 a la altura de Saturno y dirigiéndose ahora hacia la constelación de Ofiuco. https://upload.wikimedia.org/wikipedia/commons/3/34/Voyager_1_skypath_1977-2030.png

Voyager 2: el “Gran Tour”
- Júpiter (1979):
- Confirmó el vulcanismo en Ío y estudió Ganimedes, Europa y Calisto con más detalle.
- Midió el campo magnético y las emisiones de plasma.
- Saturno (1981):
- Observó la estructura de los anillos y las lunas Encelado, Rea, Dione y Tetis.
- Cartografió atmósferas y descubrió complejidad en el sistema de anillos.
- Urano (1986):
- Primera y única sonda en visitar Urano.
- Descubrió 10 lunas nuevas y dos nuevos anillos.
- Midió la inclinación extrema del campo magnético uraniano.
- Neptuno (1989):
- Primera y única visita a Neptuno.
- Descubrió los vientos más rápidos del Sistema Solar (hasta 2.100 km/h).
- Observó la Gran Mancha Oscura.
- Descubrió 6 lunas nuevas, entre ellas Proteo, y estudiò en detalle Tritón, con géiseres de nitrógeno activo.
- Trayectoria tras Neptuno:
- Escapó del Sistema Solar en dirección distinta a Voyager 1.
- En 2018, cruzó la heliopausa, confirmando su entrada en el espacio interestelar.
La trayectoria de la Voyager 2 desde la Tierra, siguiendo la eclíptica hasta 1989 en Neptuno y ahora dirigiéndose hacia el sur, hacia la constelación de Pavo. https://upload.wikimedia.org/wikipedia/commons/4/4a/Voyager_2_skypath_1977-2030.png

La misión extendida
Después de completar sus encuentros planetarios, ambas sondas iniciaron la fase Voyager Interstellar Mission (VIM):
- Medir el plasma, rayos cósmicos y campos magnéticos más allá de la heliosfera.
- Comparar el medio interestelar en dos direcciones distintas.
- Continuar transmitiendo datos mientras los RTG generen suficiente energía (hasta ~2030).
Características de trayectoria de las sondas Voyager 1 y 2
| Característica de trayectoria | Voyager 1 (J S T) | Voyager 2 (J S U) |
|---|---|---|
| Fecha de lanzamiento | 5 septiembre 1977 | 20 agosto 1977 |
| Energía de lanzamiento | 105,5 km²/s² | 102,4 km²/s² |
| Hora de lanzamiento | 8:56:01 a.m. EDT (12:56:01 GMT) | 10:29:45 a.m. EDT (14:29:45 GMT) |
Encuentro con Júpiter
| Voyager 1 | Voyager 2 | |
|---|---|---|
| Fecha de llegada | 5 marzo 1979 | 9 julio 1979 |
| Hora del máximo acercamiento | 12:05 GMT | 22:29 GMT |
| Radio de máximo acercamiento* | 349 mil km | 722 mil km |
| Satélites encontrados | Amaltea, Ío, Europa, Ganimedes, Calisto | Calisto, Ganimedes, Europa, Amaltea, Ío |
| Tiempos de máximo acercamiento** (h) | –5.7, 3.1, 5.2, 14.2, 29.1 | –34.1, –15.3, –4.6, –2.5, 0.8 |
| Radios de máximo acercamiento (mil km) | 417, 21, 734, 115, 126 | 215, 62, 206, 559, 1130 |
| Distancia Tierra–Júpiter en comunicación | 4,6 UA | 6,2 UA |
| Tiempo de comunicación unidireccional | 38 min | 52 min |
| Ocultaciones por Júpiter | Tierra, Sol | Tierra, Sol |
| ΔV determinístico post-Júpiter | 63 m/s | 13 m/s |
Júpiter visto desde la Voyager 1. NASA.

Encuentro con Saturno
| Voyager 1 | Voyager 2 | |
|---|---|---|
| Fecha de llegada | 12 noviembre 1980 | 26 agosto 1981 |
| Hora del máximo acercamiento | 23:46 GMT | 3:24 GMT |
| Radio de máximo acercamiento* | 184 mil km | 161 mil km |
| Satélites encontrados | Titán, Tetis, Mimas, Encélado, Dione, Rea, Hiperión | Hiperión, Titán, Dione, Mimas, Encélado, Tetis, Rea |
| Tiempos de máximo acercamiento** (h) | –18.1, –1.5, 1.9, 2.1, 3.9, 6.6, 17.0 | –26.0, –17.8, –2.3, –0.8, 0.4, 2.8, 3.1 |
| Radios de máximo acercamiento (mil km) | 7, 416, 89, 203, 163, 73, 879 | 471, 665, 502, 311, 87, 93, 646 |
| Distancia Tierra–Saturno en comunicación | 10,2 UA | 10,4 UA |
| Tiempo de comunicación unidireccional | 85 min | 87 min |
| Distancia de cruce del plano de anillos | 120, 378 mil km | 173 mil km |
| Ocultaciones por Saturno | Tierra, Sol | Tierra, Sol |
| Ocultaciones por anillos | Tierra (A, B), Sol (A, B) | Ninguna |
| Ocultaciones por satélites | Tierra y Titán | Ninguna |
* Radio de máximo acercamiento = distancia mínima al planeta en miles de km.
** Tiempos en horas relativas al encuentro planetario.
Visión de la aproximación de la Voyager 2 a Saturno. NASA.

Estratos de complejos compuestos orgánicos cubren el satélite de Saturno Titán. NASA.

Encuentro con Urano y Neptuno
| Planeta | Voyager 1 | Voyager 2 |
|---|---|---|
| Urano | No visitó. Tras Saturno, su trayectoria la llevó fuera del plano de la eclíptica en dirección al espacio interestelar. | 24 enero 1986 – Aproximación más cercana: 81.500 km. Descubrió 10 lunas nuevas (entre ellas Puck), dos nuevos anillos, midió que el campo magnético de Urano está muy inclinado respecto al eje de rotación y desplazado del centro del planeta. También observó su atmósfera y detectó pocos rasgos visibles debido a su escasa actividad en el espectro visible. |
| Neptuno | No visitó. La trayectoria tras Saturno la lanzó en escape directo hacia fuera del Sistema Solar. | 25 agosto 1989 – Aproximación más cercana: 4.951 km de Neptuno. Descubrió 6 lunas nuevas (incluyendo Proteo). Estudió la atmósfera de Neptuno, hallando vientos de hasta 2.100 km/h, y observó la Gran Mancha Oscura. También estudió Tritón, descubriendo géiseres activos de nitrógeno y una superficie helada muy joven. |
Cronología de Voyager 1
| Fecha | Evento |
|---|---|
| 5 de septiembre de 1977 | Lanzamiento de Voyager 1, a las 12:56 UTC. |
| 10 de diciembre de 1977 | Entrada en el cinturón de asteroides. |
| 19 de diciembre de 1977 | Voyager 1 adelanta a Voyager 2 en distancia. |
| 8 de septiembre de 1978 | Salida del cinturón de asteroides. |
| 6 de enero de 1979 | Comienzo de la fase de observación de Júpiter. |
| 5 de marzo de 1979 | Encuentro cercano con el sistema joviano. Aproximación más cercana a Júpiter. |
| 13 de abril de 1979 | Fin de la fase de exploración de Júpiter. |
| 22 de agosto de 1980 | Comienzo de la fase de observación de Saturno. |
| 12 de noviembre de 1980 | Encuentro con Saturno. Sobrevuelo cercano de Titán y otros satélites. |
| 12-14 de noviembre de 1980 | Sobrevuelo de Titán; sobrevuelos de Tethys, Mimas, Encelado, Rhea, Hyperion; aproximaciones menores al planeta. |
| 14 de noviembre de 1980 | Se considera el comienzo de la misión extendida tras finalizar los sobrevuelos principales. |
| 14 de febrero de 1990 | Últimas imágenes tomadas por Voyager 1 para el “Retrato de Familia” del Sistema Solar. |
| 17 de febrero de 1998 | Voyager 1 supera a Pioneer 10 como la nave espacial más lejana de la Tierra hasta ese momento. |
| 17 de diciembre de 2004 | Cruce del termination shock (choque de término) de la heliosfera, aproximadamente a 94 UA del Sol. |
| 2 de febrero de 2007 | Se terminan las operaciones del subsistema de plasma. |
| 11 de abril de 2007 | Desactivación del calentador del subsistema de plasma. |
| 16 de enero de 2008 | Final de operaciones del experimento de radioastronomía planetaria. |
| 25 de agosto de 2012 | Voyager 1 cruza la heliopausa y entra en el medio interestelar. |
| 7 de julio de 2014 | Confirmaciones adicionales de que está en espacio interestelar. |
| 19 de abril de 2016 | Voyager 1 alcanza ~135 UA del Sol. |
| 28 de noviembre de 2017 | Se prueba el encendido de los propulsores de maniobra de corrección de trayectoria (“TCM”) por primera vez desde 1980. |
Cronología de Voyager 2
| Fecha | Evento |
|---|---|
| 20 agosto 1977 | Lanzamiento desde Cabo Cañaveral con un cohete Titan IIIE-Centaur. |
| 9 julio 1979 | Encuentro con Júpiter. Aproximación más cercana a 570.000 km. Estudio de Ío, Europa, Ganímedes y Calisto; observación de magnetosfera y anillos. |
| 25 agosto 1981 | Encuentro con Saturno. Aproximación más cercana a 101.000 km. Observación de Titán, Dione, Tetis, Rea, Mimas, Encélado e Hiperión. |
| 24 enero 1986 | Encuentro con Urano. Aproximación más cercana a 81.500 km. Descubrimiento de 10 lunas nuevas, mediciones del campo magnético inclinado y nuevos anillos. |
| 25 agosto 1989 | Encuentro con Neptuno. Aproximación más cercana a 4.951 km. Estudio de la atmósfera, los anillos y 6 lunas nuevas. Observación de géiseres de nitrógeno en Tritón. |
| Octubre 1989 | Fin de la misión primaria (tras Neptuno). Comienzo de la misión extendida/interplanetaria. |
| Década de 1990 | Voyager 2 estudia el viento solar y rayos cósmicos en el espacio exterior del Sistema Solar. |
| Década de 2000 | La nave sigue operativa en la heliocola (heliosheath), con varios instrumentos aún activos. |
| Noviembre 2017 | Distancia alcanzada: 116 UA (~17.400 millones km) del Sol. |
| 2018 | Voyager 2 cruza la heliopausa, convirtiéndose en la segunda nave en entrar al espacio interestelar. |
La posición de la Voyager 2 en diciembre de 2018. Obsérvese la enorme distancia condensada en una escala logarítmica: la Tierra se encuentra a una unidad astronómica (UA) del Sol; Saturno está a 10 UA y la heliopausa, a unas 120 UA. Neptuno se encuentra a 30,1 UA del Sol, por lo que el límite del espacio interestelar está aproximadamente cuatro veces más lejos del Sol que el último planeta. NASA/JPL-Caltech


Estado actual
Las Voyager 1 y 2 llevan funcionando más de 47 años (desde 1977), lo que ya supera con creces su misión inicial de 5 años. Sin embargo, su capacidad operativa está llegando a su fin. A día de hoy la Voyager 1 se encuentra a unos 24.500 millones km de la Tierra, mientras que la Voyager 2 está a unos 20.100 millones km.
Ambas transmiten a apenas 160 bps, y sus señales llegan a la Tierra con menos de 10⁻¹⁶ W de potencia. La potencia de los RTG se va viendo mermada debido a la semivida de 87.7 años del combustible, así como a la degradación de los termopares. Cada año su potencia disminuye unos 4 W.
Estado actual (2025)
- Voyager 1: aún operativo y enviando datos científicos desde el espacio interestelar, aunque sufrió fallos de comunicación en 2023 que fueron parcialmente corregidos.
- Voyager 2: también sigue activa y en buen estado, tras un breve incidente en 2023 cuando perdió contacto por un error de orientación de antena.
La NASA estima que podrán seguir funcionando hasta 2026–2030 aproximadamente. A partir de ahí, ya no habrá suficiente energía eléctrica para mantener ni siquiera los sistemas básicos de comunicación.
Cuando eso ocurra, las sondas seguirán viajando de manera indefinida, pero en silencio, como artefactos inertes errantes.
Voyager 1
Voyager 2

Un mensaje a otros pobladores
Aunque no es parte de su función técnica, los ingenieros también diseñaron un detalle simbólico: el Disco de Oro, un fonograma de cobre recubierto de oro y protegido en una funda de aluminio, con instrucciones para cualquier civilización que algún día lo encuentre.
Disco de oro de las Voyager. NASA/JPL

Los discos son de 30 cm de diámetro e incluyen el siguiente contenido
- Saludos en 55 idiomas (desde el acadio hasta el español moderno).
- Sonidos de la Tierra: truenos, volcanes, lluvia, olas, animales, el latido de un corazón humano.
- Música de distintas culturas y épocas: desde Bach y Beethoven hasta música tradicional de varios continentes.
- 118 imágenes codificadas (explicando aspectos de nuestra biología, ubicación, matemáticas y vida cotidiana).
- Un mensaje escrito del entonces presidente Jimmy Carter y del secretario general de la ONU Kurt Waldheim.
La probabilidad de que el disco sea encontrado por otra civilización es ínfima; el espacio es inmenso y las sondas no emiten ya señales detectables más allá de cierto tiempo. Si alguna vez ocurre, lo más plausible es que sea cuando la trayectoria cruce con una estrella cercana, dentro de unos 40 000 años.
En cualquier caso, más allá de su posible hallazgo, el Disco de Oro representa un gesto de trascendencia: la humanidad dejando una huella de su cultura y existencia en el basto cosmos.
Para más información sobre el contenido del Disco de Oro:

Para más detalles sobre las Voyager se pueden consultar los siguientes enlaces, que además han sido empleados como fuentes:




https://web.archive.org/web/20181016011258/http://www3.ans.org/pubs/magazines/nn/pdfs/1999-4-2.pdf












